Fixing Your Subaru Pressure Washer: A Comprehensive Guide

R.Mgmotor 36 views
Fixing Your Subaru Pressure Washer: A Comprehensive Guide

Fixing Your Subaru Pressure Washer: A Comprehensive Guide

Hey there, pressure washer enthusiasts! Ever found yourself staring down a sputtering Subaru pressure washer, wondering what went wrong? Don’t sweat it! We’ve all been there. Whether you’re dealing with a finicky engine, a leaky hose, or just plain old low pressure, this guide is your go-to resource. We’re diving deep into isubaru pressure washer repair , covering everything from basic troubleshooting to more involved fixes. So, grab your wrench (or your phone to read this!), and let’s get that Subaru pressure washer back in action. We’ll be tackling common isubaru pressure washer problems , exploring effective isubaru pressure washer troubleshooting techniques, and even touching on essential isubaru pressure washer maintenance tips to keep your machine running smoothly for years to come. Buckle up, guys; it’s time to get your hands dirty (metaphorically, of course!).

Understanding Your Subaru Pressure Washer

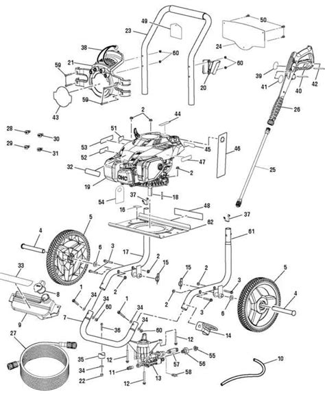
Before we jump into the nitty-gritty of repairs, let’s take a moment to appreciate the beast you’re working with. Subaru pressure washers, known for their robust engines and reliable performance, are a favorite among homeowners and professionals alike. But like any piece of machinery, they’re not immune to the occasional hiccup. Knowing the basic components of your pressure washer is the first step in diagnosing and fixing any issues. Typically, a Subaru pressure washer consists of the engine (the heart of the operation), the pump (which builds the pressure), the hose and spray gun (where the action happens), and various filters and valves that keep everything running smoothly. Understanding how these parts work together will make troubleshooting much easier. Did you know that the engine’s power output directly affects the pump’s ability to generate pressure? Or that a clogged filter can significantly reduce water flow? These are the kinds of things we’ll be exploring, ensuring you have a solid foundation before we start wrenching. We’ll also emphasize safety throughout this guide because let’s face it, no one wants to get hurt while trying to fix their pressure washer! Always disconnect the spark plug wire before performing any maintenance or repairs and wear appropriate safety gear, including eye protection.

Common Problems and Symptoms

Now, let’s talk about the usual suspects. What are the common issues that plague Subaru pressure washers? Low pressure, engine sputtering, water leaks, and failure to start are some of the most frequent complaints. Low pressure might be caused by a clogged nozzle, a faulty pump, or a restriction in the water supply. Engine sputtering could indicate a dirty carburetor, a bad spark plug, or a fuel supply problem. Water leaks, well, those can be a result of loose connections, worn-out seals, or damaged hoses. And if your pressure washer won’t start, the culprit could be anything from a dead battery to a seized engine. Recognizing these symptoms is the first step in diagnosing the problem. For example, if your pressure washer starts but the pressure is weak, the nozzle is a prime suspect. If the engine coughs and dies, it might be a fuel issue. We’ll walk through these problems in detail later in the guide, providing step-by-step solutions to get you back to blasting away dirt and grime.

Basic Maintenance: The Key to Longevity

Regular maintenance is the secret sauce to keeping your Subaru pressure washer in tip-top shape. Think of it as preventative medicine. Just like you wouldn’t skip your annual checkup, your pressure washer needs regular TLC to avoid more serious problems down the road. This includes changing the oil regularly (usually after every 50 hours of use or annually, whichever comes first), checking and cleaning the air filter, inspecting the spark plug, and storing the pressure washer properly during the off-season. These simple tasks can prevent a lot of headaches down the line. For example, a clean air filter ensures that the engine gets enough air, preventing it from running rough. Fresh oil keeps the engine’s internal components lubricated, reducing wear and tear. Proper storage, including draining the water from the pump and hoses, prevents freezing and damage during the winter months. By investing a little time in maintenance, you’re investing in the longevity of your machine. We’ll provide detailed instructions for each maintenance task, making it easy for you to keep your Subaru pressure washer running like new.

Troubleshooting Common Subaru Pressure Washer Issues

Alright, let’s get down to business. Your pressure washer isn’t working, and you’re ready to fix it. We’ll start with the most common issues and how to troubleshoot them. Remember, safety first! Always disconnect the spark plug wire before doing any repairs.

Low Pressure: What’s Going On?

Low pressure is probably the most common complaint. But, what causes it? One of the simplest culprits is a clogged nozzle. Over time, dirt and debris can build up, restricting the water flow. Fortunately, cleaning the nozzle is usually a quick fix. First, turn off the pressure washer and disconnect the spray gun. Then, use a small needle or a specialized nozzle cleaning tool to remove any blockage. Another potential cause is a clogged water inlet filter. This filter prevents debris from entering the pump, but it can get clogged itself. Locate the filter, usually near the water inlet, and remove and clean it. If the nozzle and filter are clear, the problem might lie with the pump. Check for any leaks around the pump and inspect the seals. If you find leaks or suspect pump damage, it may be time to consult a professional or consider replacing the pump.

Engine Problems: Sputtering and Stalling

If the engine is sputtering or stalling, several issues could be at play. The first thing to check is the fuel. Make sure the fuel tank has fresh fuel and that the fuel lines aren’t clogged. Next, inspect the carburetor. A dirty carburetor can disrupt the fuel-air mixture, causing the engine to run poorly. You can try cleaning the carburetor with a carburetor cleaner, but if the problem persists, it might need to be rebuilt or replaced. Another potential culprit is the spark plug. Remove the spark plug and check for wear and tear. If it’s fouled or damaged, replace it. Finally, if the engine still won’t run smoothly, check the air filter. A clogged air filter can restrict airflow, leading to poor engine performance. Cleaning or replacing the air filter is a simple fix that can make a big difference. Remember, always consult your owner’s manual for specific instructions on your model.

Water Leaks: Finding the Source

Water leaks can be frustrating, but they’re usually fixable. First, locate the source of the leak. Is it from a connection, the hose, or the pump? Check all the connections for tightness. Sometimes, a simple tightening is all it takes. If the leak is from the hose, inspect it for cracks or damage. If you find any, replace the hose. Leaks from the pump are usually a sign of worn-out seals. Replacing the seals can be a bit more involved, so you might want to consider consulting a professional. However, with the right tools and patience, it’s often a DIY project. The key is to identify the source of the leak and address it accordingly. Regular inspection of your pressure washer can help you catch leaks early before they become major problems, preventing potential damage and ensuring optimal performance. Always remember to relieve the pressure in the system before attempting any repairs involving water lines.

Step-by-Step Repair Guide

Let’s get into the specifics. Here’s a step-by-step guide to tackling some common isubaru pressure washer repair tasks. Remember to always prioritize safety and consult your owner’s manual for model-specific instructions.

Cleaning a Clogged Nozzle

  1. Safety First: Turn off the pressure washer and disconnect the spark plug wire.
  2. Disconnect the Spray Gun: Detach the spray gun from the pressure washer.
  3. Inspect the Nozzle: Look for any visible blockage.
  4. Clean the Nozzle: Use a small needle or a specialized nozzle cleaning tool to remove any debris. Be careful not to damage the nozzle.
  5. Reassemble and Test: Reattach the spray gun and test the pressure washer. If the pressure has improved, you’re good to go!

Replacing a Spark Plug

  1. Safety First: Turn off the pressure washer and disconnect the spark plug wire.
  2. Locate the Spark Plug: The spark plug is usually located on the engine’s cylinder head.
  3. Remove the Old Spark Plug: Use a spark plug wrench to loosen and remove the old spark plug.
  4. Inspect the Old Spark Plug: Note the condition of the old spark plug. This can provide clues to any engine problems.
  5. Install the New Spark Plug: Thread in the new spark plug by hand, then tighten it with the spark plug wrench.
  6. Reconnect: Reconnect the spark plug wire and test the engine.

Changing the Oil

  1. Warm Up the Engine: Run the engine for a few minutes to warm the oil.
  2. Turn Off and Disconnect: Turn off the engine and disconnect the spark plug wire.
  3. Locate the Oil Drain Plug: Find the oil drain plug, usually on the bottom of the engine.
  4. Drain the Oil: Place a drain pan under the oil drain plug and remove the plug. Allow the old oil to drain completely.
  5. Replace the Drain Plug: Once the oil is drained, replace the drain plug.
  6. Add New Oil: Locate the oil fill cap and add the correct type and amount of oil, as specified in your owner’s manual.
  7. Check the Oil Level: Use the dipstick to check the oil level.
  8. Dispose of Old Oil Properly: Take the used oil to a recycling center.

Subaru Pressure Washer Maintenance Tips

Regular maintenance is key to keeping your Subaru pressure washer in top condition. Here are a few essential tips to keep in mind:

Winterizing Your Pressure Washer

If you live in an area with freezing temperatures, winterizing your pressure washer is crucial. This involves draining all the water from the pump and hoses to prevent freezing and damage. You can do this by disconnecting the hoses and running the engine for a few seconds to expel any remaining water. Some pressure washers also have a winterizing plug that allows you to introduce antifreeze into the pump. Consult your owner’s manual for specific instructions. Proper winterization can significantly extend the life of your pressure washer.

Cleaning the Air Filter

A clean air filter is essential for optimal engine performance. Remove the air filter and inspect it regularly. If it’s dirty, you can clean it with warm, soapy water. Allow it to dry completely before reinstalling it. Some air filters are disposable and need to be replaced. Check your owner’s manual for the correct replacement filter. A clean air filter ensures that the engine gets enough air, preventing it from running rough and prolonging its lifespan.

Proper Storage

When storing your pressure washer, make sure it’s in a clean, dry place. Remove the water hose and spray gun, and store them separately. If possible, cover the pressure washer to protect it from dust and debris. Storing your pressure washer properly will prevent damage and ensure that it’s ready to use when you need it. By following these simple maintenance tips, you can keep your Subaru pressure washer running smoothly for years.

When to Call a Professional

While this guide covers many common isubaru pressure washer problems , there are times when it’s best to call in a professional. If you’re uncomfortable with any of the repair steps, or if the problem seems too complex, don’t hesitate to seek help. Also, if you suspect internal engine damage, like a seized engine or a blown pump, it’s best to consult a professional mechanic. Trying to fix these issues yourself could lead to further damage and costly repairs. Remember, your safety is paramount. If you’re unsure about anything, err on the side of caution and get professional help. Finding a qualified repair shop that specializes in pressure washers can save you time, money, and headaches.

Conclusion

So there you have it, guys! A comprehensive guide to fixing and maintaining your Subaru pressure washer. We’ve covered everything from basic troubleshooting to essential maintenance tips. With a little knowledge and a few tools, you can keep your pressure washer running smoothly for years. Remember to prioritize safety, consult your owner’s manual, and don’t be afraid to seek professional help when needed. Happy cleaning, and we hope this guide has helped you in getting your pressure washer working again! Now go out there and make things shine!