Jeep Cherokee Ignition Switch: Common Issues & Fixes

R.Mgmotor 9 views
Jeep Cherokee Ignition Switch: Common Issues & Fixes

Jeep Cherokee Ignition Switch: Common Issues & Fixes

Hey guys, let’s talk about your Jeep Cherokee’s ignition switch! This little guy is super important, acting as the gatekeeper for your ride’s electrical system. When it starts acting up, it can lead to some serious headaches, from your Jeep refusing to start to random electrical gremlins popping up. We’re going to dive deep into the common Jeep Cherokee ignition switch problems , what causes them, and most importantly, how you can get them fixed. Understanding these issues is key to keeping your trusty Cherokee running smoothly.

Why is the Ignition Switch So Crucial?

So, what exactly does this Jeep Cherokee ignition switch do? Think of it as the main command center for your vehicle’s power. When you turn the key (or push the start button on newer models), you’re engaging the ignition switch. It then directs electricity to various components needed to get your engine going and keep everything running. This includes:

  • Starting the Engine: It sends power to the starter motor, which cranks the engine.
  • Powering Accessories: It supplies electricity to your radio, power windows, wipers, and other accessories when the key is in the ‘Accessory’ or ‘On’ position.
  • Running the Engine: It ensures continuous power to the ignition system and fuel pump once the engine is running.

Basically, without a functioning ignition switch, your Jeep is going nowhere fast. Because it’s constantly being used and handles significant electrical current, it’s also prone to wear and tear over time. This is where those pesky Jeep Cherokee ignition switch problems start to creep in.

Common Jeep Cherokee Ignition Switch Problems

Let’s break down the most frequent symptoms you might encounter when your Jeep Cherokee’s ignition switch is on the fritz. Recognizing these signs early can save you a lot of trouble and potentially prevent more damage.

1. Jeep Cherokee Won’t Start

This is arguably the most common and frustrating Jeep Cherokee ignition switch problem . You turn the key, and… nothing . No click, no crank, just silence. Sometimes, you might hear a faint click, but the engine doesn’t turn over. This could mean:

  • Faulty Ignition Switch: The switch itself might be worn out or damaged, failing to send the signal to the starter motor.
  • Loose Connections: The wiring connected to the ignition switch could be loose or corroded, interrupting the electrical flow.
  • Ignition Lock Cylinder Issue: In older models, the ignition lock cylinder (where you insert the key) can get worn or damaged, preventing the switch from being activated properly.

If your Jeep Cherokee won’t start and you suspect the ignition switch, it’s a good idea to check other potential culprits like the battery, starter, or fuel pump first. However, if those check out, the ignition switch becomes a prime suspect.

2. Intermittent Starting Issues

This is where things get really annoying. Your Jeep might start fine one day and then refuse to start the next, or it might start sometimes but not others. This intermittent starting problem is a classic sign of a failing ignition switch. The internal contacts might be worn, causing an inconsistent connection. Jiggling the key sometimes temporarily fixes it, which is a strong indicator that the switch or lock cylinder is the issue.

3. Dashboard Lights Not Working or Flickering

When you turn your key to the ‘On’ position, your dashboard lights, check engine light, and other warning indicators should illuminate briefly before the engine starts. If these lights don’t come on at all, flicker erratically, or stay on after the engine is running, it points towards a problem with the ignition switch. This is because the switch is responsible for powering these circuits when the key is in the ‘On’ position. A Jeep Cherokee ignition switch electrical problem can manifest in various ways on your dash.

4. Accessories Not Working

Your radio, power windows, wipers, and other accessories rely on the ignition switch being in the correct position (‘Accessory’ or ‘On’) to receive power. If these components suddenly stop working, or only work intermittently, it could be a sign that your ignition switch isn’t properly sending power to these circuits. This is another common symptom of a worn-out Jeep Cherokee ignition switch .

5. Engine Stalling Unexpectedly

While less common, a failing ignition switch can sometimes cause the engine to stall while you’re driving. This happens if the switch fails to maintain power to the ignition system or fuel pump while the engine is running. If your Jeep Cherokee stalls while driving , and it’s not related to fuel or other obvious engine issues, the ignition switch should be on your list of suspects.

6. Key Stuck in Ignition

Another peculiar Jeep Cherokee ignition switch issue is when the key gets stuck in the ignition cylinder and won’t come out. This can be caused by a faulty ignition switch, a problem with the steering lock mechanism, or even a worn-out key. Sometimes, shifting the transmission into different gears can free it up, but if it persists, the switch or lock cylinder likely needs attention.

Causes of Jeep Cherokee Ignition Switch Failure

Why do these Jeep Cherokee ignition switch problems happen in the first place? Several factors contribute to their eventual demise:

  • Wear and Tear: Like any mechanical part, the internal contacts and components of the ignition switch simply wear out over time with repeated use. Turning the key thousands of times takes its toll.
  • Heat: The ignition switch handles electrical current, which generates heat. Prolonged exposure to this heat can degrade the plastic components and electrical connections within the switch.
  • Corrosion: Moisture and environmental contaminants can work their way into the switch assembly, causing corrosion on the electrical contacts. This leads to poor conductivity and intermittent issues.
  • Electrical Overload: While less common, a short circuit or an electrical overload in the vehicle’s system can damage the ignition switch.
  • Physical Damage: In rare cases, the ignition switch or lock cylinder can be damaged by physical force, such as a forceful attempt to break into the vehicle.

Troubleshooting Your Jeep Cherokee Ignition Switch

Before you rush out to buy a new ignition switch, let’s cover some basic troubleshooting steps you can perform. This can help you confirm if the switch is indeed the culprit or if the problem lies elsewhere.

1. Check the Battery and Connections

This is always the first step for any starting issue. Ensure your Jeep Cherokee battery is fully charged and that the terminals are clean and tight. A weak battery or loose connection can mimic ignition switch problems.

2. Inspect Wiring and Connectors

Visually inspect the wiring harness connected to the ignition switch. Look for any signs of damage, corrosion, or loose connections. Sometimes, a simple tightening of a connector can solve the problem.

3. Test the Ignition Switch

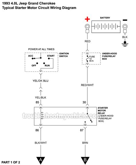
This requires a multimeter and some basic knowledge of electrical testing. You’ll need to access the ignition switch (usually located behind the steering column shroud) and test for continuity and voltage at different key positions (‘Off’, ‘Accessory’, ‘On’, ‘Start’).

  • With the key off: Check for continuity between the correct terminals (refer to your Jeep Cherokee’s service manual for specific wiring diagrams).
  • With the key in the ‘On’ position: Check for voltage at the terminals that power the ignition system and accessories.
  • With the key in the ‘Start’ position: Verify that the signal is being sent to the starter solenoid.

If you don’t get the expected readings, it’s a strong indication that the Jeep Cherokee ignition switch is bad .

4. Check the Ignition Lock Cylinder

In many cases, the ignition switch and lock cylinder are integrated or work very closely together. If your key is difficult to turn, doesn’t feel right, or is stuck, the lock cylinder might be the issue. Sometimes, lubrication with a graphite-based spray can help, but often it requires replacement.

Replacing the Jeep Cherokee Ignition Switch

If your troubleshooting confirms a faulty ignition switch, replacement is usually the next step. The process can vary slightly depending on your specific Jeep Cherokee model year , but generally involves:

  1. Disconnecting the Battery: Safety first, guys! Always disconnect the negative battery terminal before working on electrical components.
  2. Removing Steering Column Shroud: You’ll typically need to remove plastic covers around the steering column to access the ignition switch.
  3. Disconnecting Wiring Harness: Carefully unplug the electrical connector(s) from the old ignition switch.
  4. Removing the Old Switch: The switch is usually held in place by a small screw or retainer clip. Remove it and detach the old switch. On some models, you might need to remove the ignition lock cylinder first.
  5. Installing the New Switch: Mount the new ignition switch and reconnect the wiring harness.
  6. Reassembling: Reinstall the steering column shroud.
  7. Reconnecting the Battery: Reconnect the negative battery terminal.
  8. Testing: Turn the key to ensure everything works correctly – starting, accessories, and dashboard lights.

DIY Tip: If you’re not comfortable with electrical work or removing parts from your steering column, it’s best to leave this job to a qualified mechanic. They have the tools and expertise to do it safely and correctly.

When to Call a Professional

While some Jeep Cherokee ignition switch problems can be diagnosed and fixed by a DIYer, there are times when calling a professional mechanic is the smart move. If you:

  • Are uncomfortable working with electrical systems.
  • Don’t have the necessary tools (like a multimeter).
  • Can’t find specific wiring diagrams for your model.
  • Suspect a more complex electrical issue beyond just the switch.
  • Have tried replacing the switch and the problem persists.

Then it’s time to hand it over to the experts. They can accurately diagnose the issue, perform the replacement safely, and ensure no other underlying problems are missed. Ignoring persistent Jeep Cherokee ignition switch issues can lead to more significant and costly repairs down the line, so don’t delay if you’re unsure!

Conclusion

The ignition switch is a vital component of your Jeep Cherokee , and when it fails, it can bring your adventures to a halt. By understanding the common Jeep Cherokee ignition switch problems , their causes, and how to troubleshoot them, you can be better prepared to tackle these issues. Whether you decide to fix it yourself or take it to a mechanic, addressing these problems promptly will ensure your Jeep keeps running reliably for many miles to come. Stay safe out there, and happy trails!