OSCCSC PWM 4-Pin Fan Control Explained

R.Mgmotor 72 views
OSCCSC PWM 4-Pin Fan Control Explained

OSCCSC PWM 4-Pin Fan Control Explained

Hey guys! Let’s dive deep into the world of OSCCSC PWM 4-pin connectors today. You’ve probably seen them on your PC fans, and maybe you’ve wondered what all those pins actually do. Well, you’ve come to the right place! This article is all about demystifying the OSCCSC PWM 4-pin system, why it’s awesome, and how it keeps your rig running cool and quiet. We’ll break down exactly what each pin is for, the magic behind Pulse Width Modulation (PWM), and how this technology gives you fine-grained control over your fan speeds. Whether you’re a seasoned builder or just dipping your toes into PC customization, understanding this little connector is a game-changer for performance and acoustics. So, grab a snack, settle in, and let’s get this tech party started!

Understanding the OSCCSC PWM 4-Pin Connector

Alright, let’s get down to brass tacks with the OSCCSC PWM 4-pin connector. This isn’t just some random assortment of wires; it’s a sophisticated little marvel designed to give you incredible control over your computer’s cooling. At its core, the 4-pin connector is all about Pulse Width Modulation (PWM) , which is the secret sauce that allows your motherboard or fan controller to dynamically adjust fan speed. Unlike older 3-pin connectors that simply controlled voltage to slow down fans (which could be a bit clunky and noisy), PWM offers a much smoother, more efficient, and precise way to manage airflow. Think of it like a dimmer switch for your fan – instead of just on or off, or a few set speeds, PWM allows for a near-infinite range of speeds in between. This means you can have silent operation when your system is idle, and ramp up to maximum cooling power only when you really need it during intense gaming sessions or heavy workloads. The OSCCSC aspect simply refers to the manufacturer or a specific brand’s implementation of this standard, ensuring compatibility and specific performance characteristics. So, when you see ‘OSCCSC PWM 4-pin,’ just know it’s a high-quality, standard-compliant connector ready to integrate seamlessly into your system for optimal thermal management. We’ll be dissecting each of these pins in detail shortly, so you’ll know exactly what’s going on behind the scenes.

The Four Pins: What They All Mean

Now, let’s break down the crucial part: what does each of those four pins on your OSCCSC PWM 4-pin connector actually do? It’s pretty straightforward once you know the breakdown, and understanding this is key to troubleshooting or even manually wiring things up if you’re feeling adventurous. The pins are typically arranged in a specific order, and they serve distinct functions:

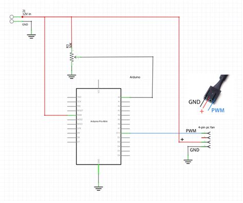
  1. Pin 1: Ground (GND) This is your standard ground connection. It provides the return path for electrical current, completing the circuit. Think of it as the baseline or the common reference point for all the other signals. Without a solid ground, nothing else would work properly. It’s usually the black wire.

  2. Pin 2: +12V Power This is the pin that actually powers the fan motor. Most computer fans operate on a 12-volt DC power supply, and this pin delivers that juice. When you plug your fan in, this is the pin that gives it the energy to spin. It’s typically the red wire.

  3. Pin 3: Fan Speed Sensor (Tachometer) This is where things get interesting and where the ‘smart’ part of the fan comes in. This pin outputs a signal that indicates the fan’s current speed. The motherboard or fan controller reads this signal (usually a series of pulses) to determine how fast the fan is actually spinning. This feedback loop is essential for PWM control because it allows the system to know if the fan is responding correctly to the commands being sent. It’s often the yellow or blue wire.

  4. Pin 4: PWM Control Signal This is the ‘brain’ of the operation. This pin receives a signal from the motherboard or fan controller that dictates the fan’s speed. The signal is a Pulse Width Modulation signal. Instead of varying the voltage directly, the controller rapidly turns the power to the fan on and off. By adjusting the width of these ‘on’ pulses relative to the ‘off’ periods, the controller effectively controls the average voltage reaching the fan motor, thereby controlling its speed. A wider ‘on’ pulse means more power and higher speed; a narrower ‘on’ pulse means less power and lower speed. This allows for very fine, smooth adjustments across the entire speed range, from near-silent operation to full blast. It’s usually the blue or white wire.

So, you’ve got power, ground, speed feedback, and speed control – all bundled into this neat little 4-pin package. It’s this combination that makes the OSCCSC PWM 4-pin a staple in modern PC building. The beauty is that the motherboard handles all this automatically, reading the fan’s capabilities and adjusting the PWM signal accordingly based on your system’s temperature or your custom fan curves. Pretty neat, huh?

The Magic of Pulse Width Modulation (PWM)

Let’s geek out for a second about Pulse Width Modulation (PWM) , the technology behind the genius of the OSCCSC PWM 4-pin connector. You might have heard the term thrown around, but what exactly is it, and why is it so much better than older methods? Imagine you want to control how fast a fan spins. The old way, with 3-pin connectors, was like using a rheostat – essentially varying the voltage supplied to the fan. This works, but it has drawbacks. Lowering the voltage slows the fan, but it can also make the motor run less smoothly, leading to annoying humming or inconsistent speeds, especially at very low RPMs. Plus, the fan still draws a minimum amount of power, even when slowed down significantly.

PWM is a fundamentally different and much more elegant approach. Instead of reducing the voltage , it rapidly switches the power supply to the fan on and off . The duration of the ‘on’ pulse compared to the total ‘on/off’ cycle (the period) determines the fan’s speed. If the ‘on’ pulse is very short and the ‘off’ pulse is long, the fan spins slowly. If the ‘on’ pulse is long and the ‘off’ pulse is short, the fan spins quickly. The frequency of these switching cycles is typically high enough (often in the kilohertz range) that the fan motor responds to the average power delivered, resulting in smooth speed changes. This means you can achieve very low speeds without the motor struggling or making weird noises. It’s like flicking a light switch on and off incredibly fast; if you do it slowly, you can see the light flicker. But if you do it thousands of times per second, your eyes perceive a steady, dimmer light. That’s the essence of PWM for fan control!

Why is this so great for your PC, guys? Efficiency and acoustics . Because the fan is either fully on or fully off (during each tiny pulse), the motor components operate closer to their optimal efficiency. This can lead to slightly lower power consumption and less heat generated by the fan motor itself. More importantly, the smooth control allows for incredibly quiet operation. You can set your fan curves in your BIOS or software so that fans only ramp up when your CPU or GPU actually starts getting warm. During light tasks like web browsing or word processing, your fans can spin at their minimum speed (or even turn off completely with some advanced controllers!), making your PC whisper-quiet. Then, when you fire up a demanding game, the system detects the heat and smoothly increases the fan speed to keep everything cool. This dynamic adjustment is the core benefit of PWM technology, and it’s why the OSCCSC PWM 4-pin connector is the standard for performance and silence in modern PCs. It’s all about getting the right amount of cooling, exactly when you need it, without unnecessary noise.

Benefits of Using OSCCSC PWM 4-Pin Fans

So, you’re probably wondering, ‘Why should I specifically look for OSCCSC PWM 4-pin fans?’ Great question! The benefits are pretty significant, especially if you care about how your PC performs and sounds. Let’s break down why opting for these fans is a smart move for your build.

Firstly, superior noise control . This is arguably the biggest win for most users. As we discussed with PWM, the ability to precisely control fan speed means you can keep your system much quieter. When your PC isn’t under heavy load, the fans can spin at incredibly low RPMs, often below 500 RPM, making them barely audible, if at all. This is a huge upgrade from older 3-pin fans that might only have a few discrete speed steps and often struggle to maintain smooth operation at their lowest settings. OSCCSC, being a reputable brand, typically ensures their PWM fans are optimized for minimal noise across their entire speed range, meaning fewer annoying hums or whines.

Secondly, enhanced thermal management . Precision speed control isn’t just about silence; it’s about efficiency. By dynamically adjusting fan speed based on real-time temperature readings, PWM fans ensure that your components are always kept within safe operating temperatures without over-cooling. This means your CPU and GPU can perform at their peak for longer durations without throttling due to heat. Your system runs cooler, which can lead to increased component longevity and stability. OSCCSC’s implementation often focuses on delivering optimized airflow patterns, further improving heat dissipation.

Thirdly, energy efficiency . While it might seem like a minor point for a single fan, when you have multiple fans in your system, the cumulative effect of PWM control can lead to noticeable energy savings. Because the fans are only drawing the power they need at any given moment, they consume less electricity overall compared to fans that are always running at a fixed, higher speed or have less efficient voltage regulation. This is a small eco-friendly bonus and can contribute to a slightly lower electricity bill over time, especially if your PC is running 24 7 .

Fourth, ease of integration and automation . Most modern motherboards come equipped with 4-pin fan headers that fully support PWM control. This means plugging in an OSCCSC PWM 4-pin fan is usually a plug-and-play experience. The motherboard automatically detects the fan’s capabilities and allows you to set custom fan curves through the BIOS or dedicated software. This takes the guesswork out of cooling – you don’t need to manually fiddle with fan speeds; the system does it for you intelligently. This automation is a massive convenience for builders of all skill levels.

Finally, future-proofing . As PC components become more powerful and generate more heat, efficient and effective cooling solutions become increasingly important. PWM technology is the current standard for high-performance cooling, and sticking with OSCCSC PWM 4-pin fans ensures your build is equipped with reliable and advanced cooling technology that will serve you well for years to come. It’s an investment in the stability and longevity of your entire system.

How to Connect and Configure Your OSCCSC PWM Fan

Alright, let’s get your awesome new OSCCSC PWM 4-pin fan connected and running like a dream! It’s honestly one of the simpler parts of building a PC, but it’s crucial to get it right. Most modern motherboards have plenty of these 4-pin headers, so finding a spot should be easy. Just remember, the key is to plug it into a header labeled ‘CPU_FAN’, ‘SYS_FAN’, or similar – usually, these are the ones that support PWM control. Some headers might be 3-pin, and while a 4-pin fan can technically plug into a 3-pin header (it just won’t get the PWM signal and will run at full speed), you’ll miss out on all the cool control features. So, always aim for a 4-pin header for your PWM fans!

Step 1: Locate the Fan Header

Peek at your motherboard manual or look for labels printed directly on the board. You’ll see headers that look like a block of pins with a plastic shroud around them, usually accompanied by text like ‘CPU_FAN’, ‘CHA_FAN’, or ‘SYS_FAN’. The ‘CPU_FAN’ header is specifically for your CPU cooler fan and is essential for system stability – make sure your CPU cooler fan is plugged into this one. Other ‘SYS_FAN’ or ‘CHA_FAN’ headers are for case fans.

Step 2: Align the Connector

Take a look at your OSCCSC PWM 4-pin fan connector and the corresponding header on the motherboard. You’ll notice that the connector has a small plastic key or notch, and the header has a corresponding gap. This is designed to prevent you from plugging it in the wrong way. Gently align the connector with the header, making sure the notch matches the gap. Don’t force it! If it doesn’t slide in smoothly, double-check the alignment.

Step 3: Plug It In

Once aligned, gently push the connector into the header until it’s seated securely. That’s it for the physical connection! Easy peasy, right?

Step 4: Configure in BIOS/UEFI

Now for the magic! When you boot up your PC, you’ll want to access your motherboard’s BIOS or UEFI settings. This is usually done by pressing a specific key right after you turn on your computer – common keys are DEL, F2, F10, or F12. Your motherboard’s splash screen will usually tell you which key to press.

Once inside the BIOS/UEFI, navigate to the section related to fan control or hardware monitoring. This section might be called ‘Fan Control,’ ‘Q-Fan Control,’ ‘Smart Fan,’ ‘Hardware Monitor,’ or something similar. Here, you should see your connected fans listed, often by the header they’re plugged into (e.g., ‘CPU_FAN,’ ‘SYS_FAN1’).

For each fan, you’ll typically have options:

  • Control Mode: Ensure this is set to PWM mode for your 4-pin fans. Some motherboards might try to auto-detect, but manually selecting PWM is best.
  • Fan Curve: This is where you customize the fan speed behavior. You’ll often see presets like ‘Silent,’ ‘Standard,’ ‘Performance,’ or ‘Full Speed.’ For ultimate control, select ‘Custom’ or ‘Manual.’ This will usually present you with a graph where you can set specific fan speeds (as a percentage) at different temperature points. For example, you might set the fan to run at 30% speed when the CPU is below 40°C, ramp up to 60% at 60°C, and go to 100% if it hits 75°C.
  • Temperature Source: Choose which sensor the fan speed should be based on (e.g., CPU temperature, motherboard temperature).

Take your time setting up your fan curve. You want a balance between keeping your components cool and minimizing noise. Save your changes before exiting the BIOS/UEFI, and your OSCCSC PWM fans will now react intelligently to your system’s thermal load!

Troubleshooting Common Issues

Even with the best tech, sometimes things don’t go perfectly. If you’re having trouble with your OSCCSC PWM 4-pin fan, don’t sweat it! Most issues are pretty common and have straightforward fixes. Let’s run through a few scenarios, guys.

Issue 1: Fan Not Spinning at All

This is the most frustrating one. First, double-check the physical connection. Is the 4-pin connector fully seated in the motherboard header? Sometimes it can look plugged in but not quite make contact. Gently push it in again. Also, ensure you’ve plugged it into a header that actually provides power. Some motherboard headers might be for specific features or might be disabled in the BIOS. Try a different fan header if you have one available, especially a ‘SYS_FAN’ header if the fan isn’t spinning even when the CPU is hot.

Next, check the BIOS/UEFI settings. Is the fan control set to PWM or DC mode? If it’s set to PWM and the fan simply isn’t responding, try switching it to DC mode temporarily to see if the fan spins up at full speed. If it does, it suggests the issue might be with the PWM signal itself or the fan’s PWM circuitry. If it doesn’t spin in either mode, the fan itself might be faulty.

Also, make sure you haven’t accidentally enabled a